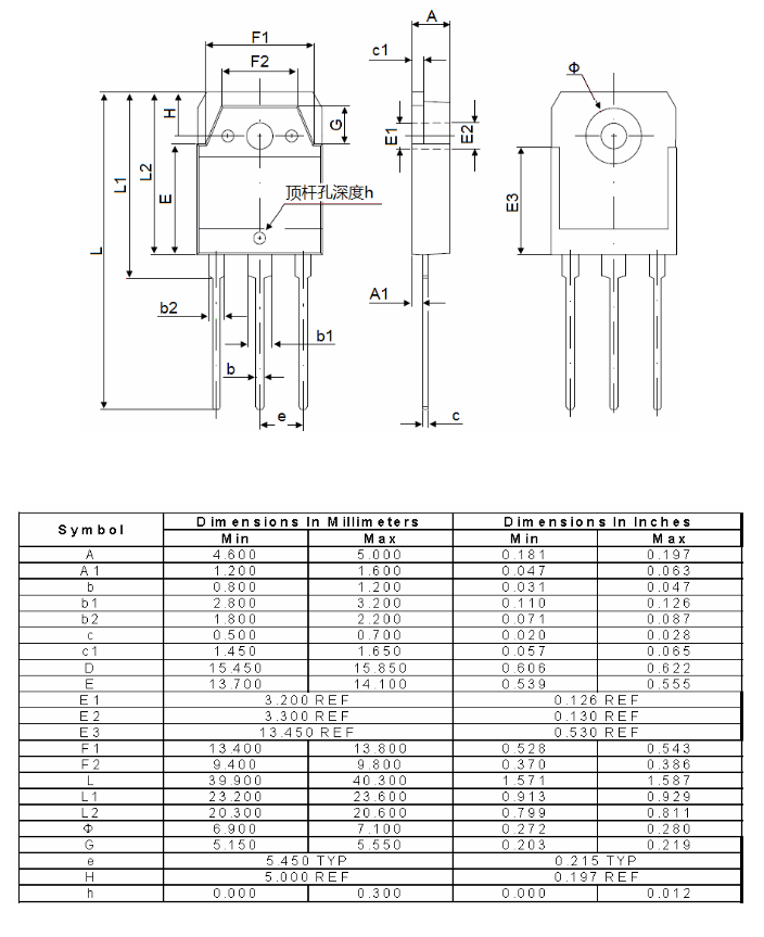
TO-3P是一种常用的功率器件封装形式,适用于高功率晶体管、场效应管、稳压器等器件的封装。它有以下几个特点:
-
散热性能好:TO-3P封装具有金属外壳,散热性能较好,能够适应高功率器件的散热要求。
-
安装方便:TO-3P封装具有三个引脚,可以方便地插入PCB板上的孔中进行安装。
-
焊接可靠:TO-3P封装可以通过插脚或表面安装焊接的方式进行连接,能够有效地减少焊接点的数量,提高焊接可靠性。
-
应用广泛:TO-3P封装适用于高功率晶体管、场效应管、稳压器等器件的封装。

TO-3P是一种常用的功率器件封装形式,适用于高功率晶体管、场效应管、稳压器等器件的封装。它有以下几个特点:
散热性能好:TO-3P封装具有金属外壳,散热性能较好,能够适应高功率器件的散热要求。
安装方便:TO-3P封装具有三个引脚,可以方便地插入PCB板上的孔中进行安装。
焊接可靠:TO-3P封装可以通过插脚或表面安装焊接的方式进行连接,能够有效地减少焊接点的数量,提高焊接可靠性。
应用广泛:TO-3P封装适用于高功率晶体管、场效应管、稳压器等器件的封装。
